Gear Coupling Manufacturer, Exporter, Supplier in Gujarat, India.

Half Gear Half Rigid Couplings

Sahara Engineers is leading Half Gear Half Rigid Couplings Manufacturer in Ahmedabad and Gear Couplings Exporter in India provides Latest and Modern Engineering Machinery.

The standard Series 100 Half Gear Coupling consists of a flexible and rigid half. The flexible half is a standard Series 100 half coupling consisting of an outer sleeve and an inner hub and the rigid half consists a flanged hub.

Half Geared coupling are most commonly used in floating shaft applications or on line shafting to accommodate axial expansion, these gear couplings pilot shafts and also compensate for up to 1 ½ angular misalignment. Also the rigid hubs can accommodate larger shaft diameters than the gear hubs.

    Features

  • Less backlash
  • Compact assembly
  • Large bore capacities
  • High power to weight ratio
  • Accommodates angular, parallel and axial misalignments
  • Generally used up to 120° C. Can be used for higher temperature by using proper grade of grease or oil
  • Standard full flexible gear coupling type SHG accommodates angular & parallel misalignments
  • Used primarily with floating shaft assemblies. Extensively used for cross traverse and long travel line shaft drives

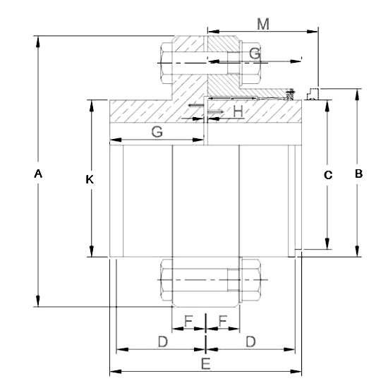
Dimensions & Technical Data

Get in Touch with Sahara Engineers Today!

Looking for high-quality, precision-engineered components? Whether you need custom gear couplings or other mechanical power transmission products, Sahara Engineers is here to meet your needs. Contact us today to discuss your project requirements, get a quote, or learn more about our products and services. Let's build a long-lasting partnership focused on quality, performance, and customer satisfaction!